Avataas tänne tällänen ketju, koska Facebookissa tämä ongelma hävisi kahden vastauksen jälkeen sinne spämmiin...
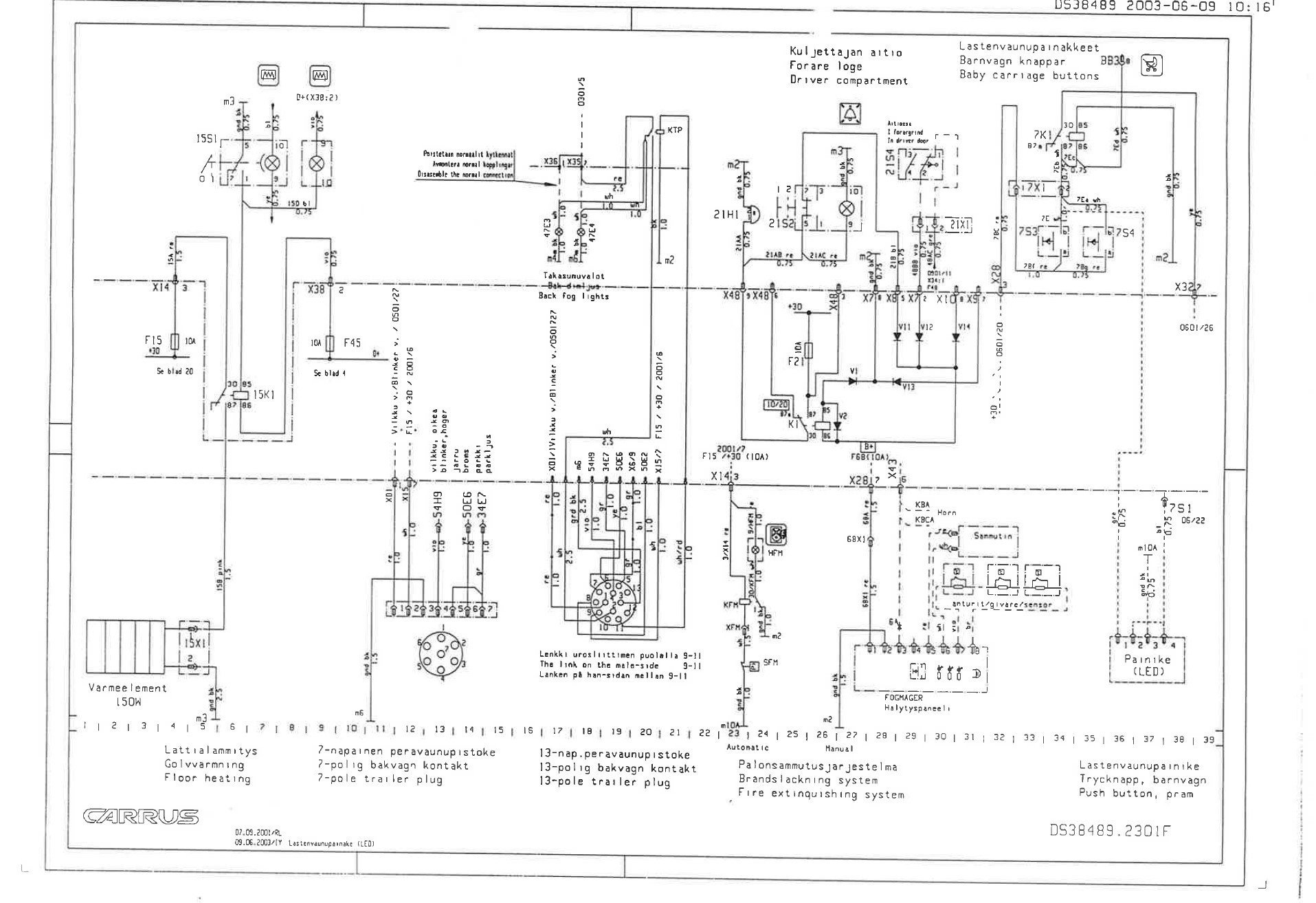
Elikkä potilaana 9700 b12b Volvo. Se on kovasti sitä mieltä että konehuone on tulessa, piippaa ja LCD -näytössä lieskat.
No ei pala ja tarttis saada hiljaiseksi. Missä ja mikä tunnistaa tuon konehuoneen palon. Mitä poistan ja mistä.
Fogmaker on sammutinsysteemi ja siellä paineet tallella. Konehuoneesta en löytäny "nutikoita" eli sähköistä tunnistinta, tuo letku kiertelee kyllä, missä siis käsittääkseni paine ja sen laskiessa Fogmakeri ampuu suuttimista liemet tupaan ja hälytys tulee paineen laskiessa. Paineet siis tallella ja liemet pullossa.
Mikähän piuha siellä sähkötaululla on se, mikä lyödään maihin ja systeemi on jälleen tyytyväinen? Selvitän tämän kyllä, jos kellään ei ole tähän nopeaa ratkaisua.
Kohtuu vit..mainen tuo piippaus, ja tulhan sinne yks uusi iso punan varotusvalokin, hälytyksen aikakin on tallentunut kelloon

