Sivu 1/3
Klinikka
Lähetetty: 28 Marras 2014 12:58
Kirjoittaja Wowbagger
Hola
Syyskuussa ostettu, lokakuussa haettu ja jonkin aikaa paikallisella pajalla fixattu Volvo B10M -90 Joncheere Jubilee P50 korilla on nyt väännetty Eesti Vabariigin kilpiin. Terveyskeskuksilla ei hirveesti ajella edes 24 vuoden aikana, joten mittarilukema n. 333333 km saattaa jopa pitää paikkansa. Kone käy nätisti, vaikka kylmäkäynnistyksessä tulee Volvomaiset savut ja 6 vaihteinen loota splitterillä toimii hyvin. Ennakot on vielä säätämättä ja Webasto ei ole akkujen takana, joten tilanne saattaa parantua.
Varustus on aika jännittävä. Löytyy hydraulipumppu ja jalat joka nurkasta, ilmalämpöpumppu kahdella sisäyksiköllä, 2kpl 4 kW siniaaltoinverttereitä ja hervottoman suuret hupiakut (2x 440 kg ja n.800 Ah) alustan akkujen lisäksi. Akut taitaa ikävä kyllä olla entiset, vuosimalli on 2007. Sitten on tietty lääkärin työhuone, jossa on jääkaappi ja tutkimuspöytä (jos joku haluaa leikkiä lääkäriä, lähtee halvalla). Myös vessa löytyy, oisko Trumatic. Lämmitysjärjestelmä on alumiinipattereilla ja onnekkaasti samantyyppisiä löytyy paikallisesta rautakaupasta. Oikeastaan kaikki pitää siirtää, mutta voi kuitenkin käyttää hyödyksi. Sinänsä harmi purkaa asiallisen tuntuiset väliseinät, mutta tilankäyttö tällaisenaan on aika toivoton. Takaosaan pitäisi saada kunnon tavaratila ja siellä on nyt sähköön liittyvät jutskat, 200 l vesisäiliö (kompuralla paineet sisään ja vesi tulee hanasta) ja saman kokoinen jätevesipönttö, jotka kaikki siirtyy muualle.
Hakumatkalla epäilin vihaisen pygmin hakkaavan alustaa rautakangella, mutta se olikin yllättäen tuulettimen kardaani, laakerit ym. rojut vaihdettu. Laturiin vaihdettiin hihnat, lagrut ja säädin. Ilmajousituksen ja jarrujen venttiilit vaihdettiin uusiin ja kompressori vetää viimeisiään, mut uuden hintalappu on sellainen että pitää vähän miettiä mitä sille tekee. Paimelasta hain samantapaisen, mutta pitäisi vähän rakentaa. Oikea kylki takaovesta taaksepäin menee uusiksi, samoin pohja. Muuten dösä on yllättävän vähäruosteinen. Rakentelu taitaa tapahtua vähitellen edestä takaosan suuntaan, kun ois kiva ajellakin välillä ja täysin atomeiksi purkamiseen ei riitä luonne eikä aika. Myös pikku muutoksilla pääsisi käyttämään, eli runkopatja takaosaan ja sohva + mikro etupäähän. Rohkea käyttäisi nykyisiä sähkövetoja, mutta aattelin kuitenkin tehdä(siis tietenkin joku sähkömies tekee) uudet vedot.
Paikallisen autorekisterikeskuksen tarkastajan ilme oli näkemisen arvoinen, kun päräytin tällä pihaan. Miettivät toista viikkoa, mihin kategoriaan tämä kuuluu... Kun tää projekti pitää väkisin nimetä joksikin, ennen kuin sille tulee jokin epämääräinen lempinimi, laitetaan vaikka (mielenterveys)Klinikka, vaikka aiempi käyttötarkoitus on ollut laatikoista löytyneiden materiaalien perusteella naisten terveydentilasta huolehtimiseen liittyvää. Mielessä kävi myös "Laitos", kun sukulaiset ja opettajat olivat sitä mieltä, että sellaiseen vielä päädyn.

ja parikin kertaa oon kuullut lauseen; "Mikä tää laitos oikein on?" Toisaalta rekisteriotteessa lukee toistaiseksi "Arsti kabinet" eli lääkärin kabinetti, joten "Kabinetti" olis kanssa ihan kiva. Saas nährä miten tää kehittyy. Jos joku haluaa tuntea vahingoniloa, galleriassa kuvia lähtötilantesta.
Re: Klinikka
Lähetetty: 28 Marras 2014 13:35
Kirjoittaja Bussiton
Tervetuloa ! Ei toi pahan näkönen ole ainakaan ulkoa päin, mut eihän ne usein ookkaa

Re: Klinikka
Lähetetty: 28 Marras 2014 14:12
Kirjoittaja neppi
BAAAAAAAAAAAAAH!!! Joka jätkällä pitäis olla hydraulijalat!
Hyvä aihio! Pakko kysyy, ei pakko vastata, oliko kallis?
Patja kyytiin ja menoks. Ehtii sitä sit jossain levikkeellä hiplaa. Ite pitäisin ainaki aluks kaikki sähköt niinku ne on. Selviää sit joskus mitä oikeesti tarvii ja mitä ei. Ootko huoltanu ne akut? Niitä kandee kokeilla elvyttää ennen lopullista tuomioo...
Onnea uuteen kotiin! Hieno on!
Neppi
Re: Klinikka
Lähetetty: 28 Marras 2014 14:16
Kirjoittaja Victorjussi
Ai, että mikä aihio! Onnittelut ja myös siitä, että jos valitset tien edetä noin.
Kun yhdenkin kesän käy reissut vaatimattomalla rakentelulla, alkaa hahmottua, mikä oikeesti kannattaa tehdä ja miten. Näin minä oon menny ja joka vuosi on jotakin valmistakin tullut.
Eikös tuo oo, ainakin noin äkkiä ajateltuna "muuttovalmis"?

Re: Klinikka
Lähetetty: 28 Marras 2014 15:43
Kirjoittaja neppi
Ni eiks siellä joku gynekologipöytä ollu perällä, ettei tarvi ees sitä runkopatjaa viijjä?
Re: Klinikka
Lähetetty: 28 Marras 2014 16:56
Kirjoittaja Iski
Tervetuloa porukoihin, asiallisen oloinen aihio, onnea projektiin.
Re: Klinikka
Lähetetty: 28 Marras 2014 17:29
Kirjoittaja ae70
tervetulloo ja onnee rojektii:)
Re: Klinikka
Lähetetty: 28 Marras 2014 17:30
Kirjoittaja Wowbagger
Kiitti myötätunnonosoituksista. Nepin hintakysymykseen voi sanoo, että ei ollu kallis, mutta tulee kalliiksi. Hankintahintaa kasvattaa se, että yks jannu kävi kaks kertaa Belgiassa ja toinen yhden ja sitten reitti olikin Houthalen Belgia-Essen-Bremen-Travemünde-Helsinki-Tallinna-Tarto. Alunperin kaavailin, että oisin ajanut sen suoraan slobojen läpi Eestiin, tai sitten Scanlinesillä Saksasta Latviaan. Ei vieläkään hirveesti viehätä tuo Puola-Latvia-Liettua varsinkaan raskaalla ajoneuvolla. Osaan aika montaa kieltä, mutta varsinkaan Puolassa ei välttämättä toimi mikään, jos on huono tuuri. Kun kukaan ei ollut jakamassa polttoainekustannuksia, niin Finnlinesin keskiviikkopaketti oli halvin ja saan Viroon ajavilta laivoilta kohtuulliset alennukset. Koeajo oli n. 1200 km, ja hirvitti välillä. Joitakin vastoinkäymisiä oli ja kirjoitan ehkä matkakertomuksen jos v...s joskus laantuu.
Korjauksiin on palanut nyt n.2,5K, mutta alusta on käyty läpi ja laite on leimassa. Silti ihan kaikki mukaanlukien kustannukset on alle viisnumeroiset. Nyt vaan pitää lopettaa laskeminen.
Noi hydraulijalat on kivat, kun mä kaiken muun jälkeen laitan tohon vehkeeseen satelliittilautasen, mutta nyt ne kasvattaa vain omapainoa, joka rekisteriotteessa oli tajunnan räjäyttävä 16800 kg. Melkein alkoi huuli väpättää. Sieltä on kuitenkin välillä lähtenyt röntgen, dieselgeneraattori (voi f..ck) ja pari muuta pikku juttua -> omapaino on enää vaatimattomat 12300. Kori tuntuu olevan sen verran tukevaa tekoa, että tasoristeyskolarissa juna jää toiseksi. En oo kylläkään ajatellut kokeilla.
Hupiakut on n. 0,5x0,5x0,8 (pituusxleveysxkorkeus). Jopa kunnossa olevat akut lähtis myyntiin, koska ne syö valtavan osan takatilasta. Kun en niitä voi hyödyntää, menee asemalle.
Belgialaiset sähköasennukset on sen verran pelottavan näköiset, että palo- ja sähköturvallisuus huomioiden menee heti uusiksi. Oishan ryhmäkeskus näppärästi just parivuoteen päädyssä, jos runkopatjan hinaa kabinettiin. Kun rouva haluaa tunnelmavalaistuksen, niin voi huitasta pääsulakketta.
Jos on tosi positiivinen suhtautumien muuttovalmiuteen, niin kuva ja teksti vähän kaunistelee totuutta. Käytännössä teltta on melkein yhtä kiva. Kaikki sisälevyt (on) irti ja eristeet uusiksi/lisää.
Sitä gynekologipöytää voi kyllä hyödyntää vaan lääkärileikkeihin. Yritin käyttää sitä nukkumiseen Travemünden satamassa, eikä se kertakaikkiaan sovi siihen. Rannassa venttaillessa tuli myös koettua pikku syysmyrsky, eli SATAA SATAA ROPISEE, tili tili pom. Tarkoittaa sitä, että katto on melkoisen ontto. Äänimaailma ja lämmönpitävyys sen mukainen. Yritän kuitenkin ensin tehdä ja vasta sitten selittää, mitä on saatu aikaan. Haaveilen kyllä kovasti, eihän tällaista muuten tulisi hankittua.
Re: Klinikka
Lähetetty: 29 Marras 2014 20:16
Kirjoittaja happa66
Tervetuloa joukkoon kirjavaan ja Onnea valitsemallasi tiellä

. Ainahan harrastus maksaa ja vertaa vaikka golf osakkeisiin tai lapin mökki osakkuuksiin, niin aika halpa harrastus

toisille

. Komia on peli ja Neppiä lainataksenin, noi tukijalat

, joka pojan unelma.
a-p
Re: Klinikka
Lähetetty: 29 Marras 2014 23:13
Kirjoittaja kulkuri
Makee
Eikö tuelta ole helpompi laukaistakin

Re: Klinikka
Lähetetty: 30 Marras 2014 12:45
Kirjoittaja Rantarosvo
Komia on Gynekolooki

taatusti eka kulkuri jossa vartavasten tehty sekstailuhuone

Re: Klinikka
Lähetetty: 17 Joulu 2014 17:03
Kirjoittaja Wowbagger
Niin munhan oikeestaan pitäis olla se Gynekolooki ja tää laitos mun klinikka. Leipätyö ei kuitenkaan oo millään tavoin niiden juttujen kanssa tekemisissä, eli kiinnostusta on vain harrastusmielessä.
Dösä seisoi pajan pihalla pari viikkoa ja ei lähtenyt enää käyntiin. Kuulemma vain varoitusvilkut toimi. Jannut soittaa mulle ja kysyivät, että mitä tehdään (siis autokorjaamolta soittavat mulle!!!). Oli pakko kysyä, että eikös tän pitäis mennä toisinpäin ja virulaiset ilmeisesti suuttui eivätkä tehneet mitään pariin viikkoon. Muuten on suorittaneet hyvin ja laitoin Gälleriään kuvia, jotka ei välttämättä kiinnosta ketään, mutta siellä näkyy vaihdettua ilmapuolta, metalliin asti kulunutta jarrukenkää, laturin laakeria ja muuta vaihdettua.
Runko on erinomaisen vähäruosteinen, suuremmaksi osaksi vielä tehtaan maalissa, mutta takaosan pohja sitten menee runkoja myöten uusiksi. Se ei ollut kylläkään mikään yllätys. Pumpun ennakko oli kohdallaan, mutta suuttimet kusee. Suuttimien irrotus/kiinnitys, kärkien vaihto ja osat tulee kustantamaan vähintään 720 €, mut kai se on tehtävä.
Pyhiksi ajan sitten klinikan rivarin eteen naapureiden iloksi ja rähisen siellä ittekseni kaljatölkki kourassa, kun jälkikasvu lähtee mutsinsa luo joulua viettämään. Tietenkin suunnitelma saattaa pettää ja pahimmassa tapauksessa tulee otettua viime hetken lähtö jonnekin vähän aurinkoisempaan paikkaan. Outoa kyllä toi bussin näpräys kiinnostaisi enemmän. Mulla on ollut niin ikävä mun 16000 kg fantasiaa.
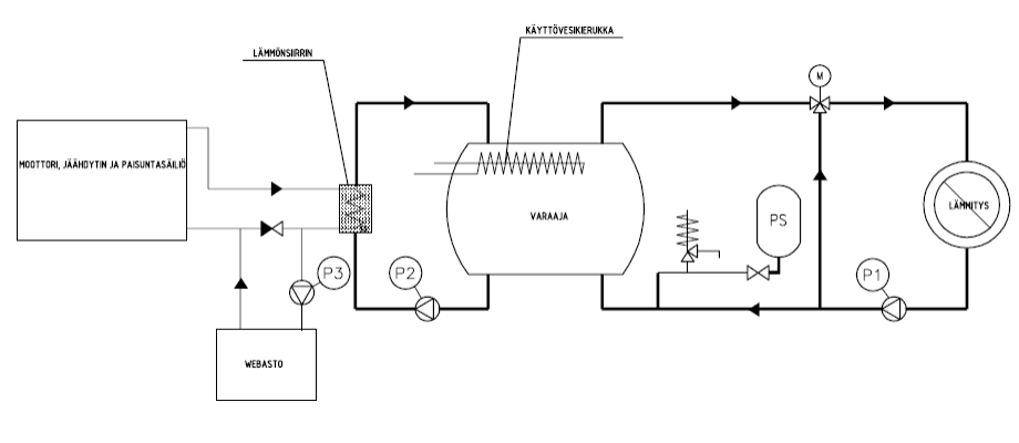
Lämmityksen suunnittelua
Lähetetty: 22 Tammi 2015 20:08
Kirjoittaja Wowbagger

- Periaate.jpg (58.45 KiB) Katsottu 34897 kertaa
Tossa on mun visio lämmitysjärjestelmästä ja vähän perustelujakin.
Aattelin ensin mennä kauppaan ja ostaa 90 ST:n, mutta kun se maksaa ja mulla on melkein kaikki tarvittava varastossa. Kytkentään en piirustanut vielä kaikkee ja mm. moottorin ohitus puuttuu.
Tämähän on periaatteessa tavallisen torpan lämmityssydeemi sovellettuna bussiin. Varaajan oikealla puolella on patterikierto sunttauksella, kalvopaisunta-astia eli paisari ja varoventtiili. Pumpuksi P1 taitaa tulla vanha grundfosin alpha, jonka ottoteho on talon patteriverkostossa ollut näytön mukaan n. 20W. Käyttöjännite 220, joten virta toistaiseksi akuilta pienellä invertterillä. Kolmitieventtiiliä hoitaa Oumanin EH-80, jonka käyttöjännite on 15V, eli siihen viritän kai bussin rokkikoneen virtalähteen 24->12.

- Entinen vesisäiliö, tuleva varaaja.
Varaajapöntöksi yritän sovittaa klinikan 200 litran vesisäiliön jos sen jotenkin saan mahtumaan jonnekin. Säiliö tulee väistämättä jonkin verran hytin puolelle. Se olisi kuitenkin rosterista, paineastia ja alaosassa on sähkövastus (samanlainen on joissakin italialaisten halpisboilereissa). Uusi vesisäiliö on isompi ja paikkakin muuttuu. Käyttövesikierukalle pitää turata laippakiinnitys. Suljetussa järjestelmässä pitää sitten olla varoventtiili, tai tulee rakennettua aikapommi. EH-80 säätää pattereille menevän veden lämpötilaa kolmelta anturilta saadun tiedon perusteella, eli yksi haistelee ulkoilmaa, toinen on kopissa ja kolmas vedetty menoputken pintaan klemmarilla. Lämpötilat on maksimitehoilla (n. 10 kW) ehkä n 70/40. Pattereille ei välttämättä tarvi asentaa termareita, mutta aattelin kuitenkin laittaa ne.
Lämmönlähteeksi jää vanha dbw300, jonka tehoa yritän rajoittaa pikkasen tältä foorumilta lainatulla systeemillä= 0,5 gph suutin ja paloiman säätö. Sitten meneekin vähän ihmettelyksi. P2 ja levylämmönsiirtimen voisi jättää pois, jos löytäis tarpeeksi mittavan kierukan pöntön sisään. Tässä tulee vastaan kapasiteetti, kun n. 20 kW siirtäminen varaajan veteen ei onnistu millään pikkupillillä. Kahvipaketin kokoinen levylämmönsiirrin hoitaa homman, mutta P2 pitää käydä aina kun moottorin tai Webaston pitää lämmittää pönttöä.
Webastoa sitten ohjaa termari ylä- ja alarajalla. esim. yläraja 80 ja alaraja 55, niin käyttövesikin ehkä hoituu. Käyttöveteen tulee snadi mekaaninen termari, joka sekoittaa tarvittaessa kylmää vettä kierukalta tulevaan veteen, joka aluksi on just sen lämpöistä mitä varaajassa on. Tämähän tarkoittaa sitä, että pahimmillaan vesi olisi todella kuumaa ilman säätöä. P3 on webaston alkuperäinen pumppu, joka kierrättää kyltin mukaan 1 l/s, ja putkikoot sen mukaiset, eli taitaa olla 38 mm kuparia.
Patteriverkoston runkoputket ainakin näillä näkymin teen pinta-asennettuna komposiittiputkesta ja kytkentäjohdot jostain nätimmästä. Lattian alle jää alkuperäisistä putkista vaan moottorille menevät putket. Nyt siellä on sellainen matolaatikko, että eristäminen on mahdotonta Sisäkorkeus kopissa on niin pieni, ettei sille puolelle saa oikeastaan mitään.
Tässä vehkeessä on oikeastaan pakko erotaa verkostot toisistaan, kun pattereiden yläreuna on melkein metrin paisuntasäiliön yläpuolella.
Mieli saattaa muuttua vielä muutamaankin kertaan. Suunnittelen, kun en töiden takia muuta just nyt ehdi tehdä. Tämänkin viikon normitunnit tuli täyteen tänään puoliltapäivin ja takki on aika tyhjä. Muutenhan purku etenee todella hitaasti, kun levyt on liimattu sikaflexillä tai vastaavalla liisterillä ylä- ja alapäästä kiinni hitsattuihin väliseinärunkoihin, joissa on välissä 3mm raudasta pokatut jäykisteet, mutta punaisella sohvallahan on mukava levähtää...

- tutkimaan.jpg (118.62 KiB) Katsottu 34887 kertaa
Purkuhommia
Lähetetty: 22 Tammi 2015 20:40
Kirjoittaja Wowbagger

- Purku1.jpg (106.11 KiB) Katsottu 34870 kertaa
Etenee vähän hitaasti, kun on niin kovin hitsattu ja liimattu. Jäykisteenä 3 mm rautaa pokattuna. Ostin paineilmataltan, mutten oo vielä päässyt kokeilemaan. Pitää vielä hankkia leveä talttaterä. Nyt irtoaa kämmenen kokoisina paloina ja murtunut reuna on veitsenterävä. Materiaali vaikuttaa kuitulevyltä jossa sideaineena epoksia tai jotain.

- haitarikumi.jpg (170.94 KiB) Katsottu 34870 kertaa
Vaihdekepin haitarikumia ei pääkaupunkiseudulta meinaa löytyä. Onnin autossa en oo vielä käynyt, mutta Etola, ikh, pari hydrauliikkamestaa jne on tsekattu. Korja-kumin katalookissa on pari vaihtoehtoa ja Keski-Suomessa jonkin firman valikoimassa Scanian haitari. Lähetyskulut tuplaa hinnan, joten ei kiitos. Reikä kumin alla on n. 20 cm ja metallirenkaan ulkohalkaisija n 25 cm. Olisko vihjeitä? Ellei muuta löydy, niin täytyy kehittää keinonahasta jonkinlainen sukka. Eihän siinä muuten mitään, mutta ei oo paksumpaan materiaaliin pystyvää ompelukonetta.
Re: Klinikka
Lähetetty: 22 Tammi 2015 20:47
Kirjoittaja IRJA
Hyvän näköinen suunnitelma

Vielä kun siirrät weban P2 pumpun paikalle ja kenties laitat sitten pumpun moottorikiertoon moottorinlämmitysta varten niin on weba valmiiksi irti moottorikierrosta

Re: Klinikka
Lähetetty: 22 Tammi 2015 20:59
Kirjoittaja Wowbagger
IRJA kirjoitti:Hyvän näköinen suunnitelma

Vielä kun siirrät weban P2 pumpun paikalle ja kenties laitat sitten pumpun moottorikiertoon moottorinlämmitysta varten niin on weba valmiiksi irti moottorikierrosta

Ajatus kävi mielessä, mutta ainakin toistaiseksi aattelin pitää webaston ja moottorin lämmönsiirtimen toisella puolella. Patteripiiri ja varaaja on paineellinen systeemi ja webaston tai moottorin kumiletkut saa omalla puolellaan kosahtaa jos lämmitin villiintyy. Mulla on pikku paranoia näihin juttuihin, kun oon nähnyt mm. tyhjänä lämmitetyn kattilan räjähdyksen aiheuttamat jäljet.
Re: Klinikka
Lähetetty: 22 Tammi 2015 23:20
Kirjoittaja Reddewil
Toi "sohva" on kipee!

Re: Klinikka
Lähetetty: 22 Tammi 2015 23:48
Kirjoittaja salminen
http://www.vilpe.com/fi/roofseal-tiivis ... a.html#tab Saisko tuollaisesta sovellettua vaihdekepin haitarikumia. Löytyy lvi liikkeistä.
Re: Klinikka
Lähetetty: 24 Tammi 2015 00:11
Kirjoittaja -LÄTSÄ-
Reddewil kirjoitti:Toi "sohva" on kipee!

Juu on todella "kipee" ja jos mä oikein ymmärsin "Herra Wowbagger" on koettanu ottaa tirsat tuolla "jakkaralla" auton hakureissulla... Ni voi olla että jos tuohon nukahtaa niin "meiltä miehiltä" saattaapi löytyä monta semmosta "kipeetä" paikaa mitä ei tuolla jakkarasohvahärdellillä pysty tutkimaan/hoitamaan...(ainakaan niiden "univelkojen hoitamiseen" tuo ei ole paras mahollinen ratkaisu...

) Johonki muuhun "kolotukseen ja jäykkyyteen" tuo vois ollakki "ihan kiva"...
Sorry "lispahhus"...
Tohon "keppikumiin"... Onko se "särki ja sitä ei voi ehjätä ku kaikki kaupat on sulki"... vai onko se "vaan rumakumi"...? (olen sokea en näe kuvasta kunnolla että se olisi se "särki")
Joten jos gummi on ehjä... ni ei kai siihen ny mahotonta "teollisuus ompelin konetta" tartte että sen peittää jollain kangas/keinonahka "koristeella"...?

Ja jos se on rikki... ja uutta korvaavaa ei löydy järkihinnalla... ni oisko jonkun henkilöauton vetonivelen suojakumista "sävellettävissä" pikkurahalla sopivan kokoinen ja mallinen "pöly/möly suoja"?
Ps. voisit "aikas kuluks" suunnitella ja piirtää mun "tölliinki" tommosen hienon kaaviokuvan lämmitys ja lämminkäyttövesi järjestelmästä... (ja pistää siihen myös osaluettelon mukaan)
Ei aina tuo "peruskouluputkiinsinöörin" pää välttis pelaa niinku ne "sveitsiläiset maailmankuulut kellot"...

(tartteis kohta puolen alkaa hommailemaan muitaki tarvikkeita ku lv-varaaja)

"Tökkää" vaikka yv:llä jos ehdit ja kiinnostaa konsultoida mua kyseisen asian suhteen...

(multa kyllä löytyy jo "paljon" typeriä ajatuksia ja ideoita toteutuksesta...

)
Re: Klinikka
Lähetetty: 24 Tammi 2015 16:42
Kirjoittaja Wowbagger
Vaihdekepin kumi on entinen. Siinä on irtorenkaita päällekkäin ja ne on kiinni toisissaan sentin tai parin soirolla. Hakumatkalla selvisi, että kepin juuresta tulee kaikki mahdolliset melut ja aromit. Mulla oli hyllyssä A6 vetarin kumi, ja pitäisi löytää noin puoltoista kertaa isompi, kun soikea reikä lattiassa on suurimmillaan 22 cm. Tuohon metallirenkaaseen saisi helposti hitsattua parin sentin putkenpätkän, johon voisi kiristää kumin. Ongelmana on vaan sopivan kokoisen kumin löytäminen. Pitäis päästä Tampesteriin kumifirman tehtaanmyymälään, ellei paikallisista kaupoista löydy. Ulkonäköön liittyviä juttuja ei tässä autossa ikävä kyllä pitkään aikaan tehdä, ellei rouva ryhdy laittaan bussissa huulipunaa.
Piirtelen tohon omaan noita kaaviokuvia iltapuhteella muistin virkistämiseksi ja muille kommentoitavaksi. Nytkin Sysmän rattiamiraalin kommentti laittoi miettimään, että mitä mä oikein piirustan ja oonko vähän liian varovainen. Jos laitetaan weba kierrättämään nesteitä suoraan varaajasäiliössä, niin se on kiinni siinä kumiletkuilla ja pönttöön tulee kuitenkin varoventtiili. Klemmariliitokset ja kumiletkut ei kuitenkaan innosta. Jos ne kosahtaa, niin varaajan nesteet on sitten mäjellä. Pitäisi kai laittaa jonkinlainen mutka putkeen siten, että paluupuolikin olisi säiliön menoputken tasalla. Siihen pitäisi laittaa sitten ilmanpoisto.
Mieli alkoi muuttua, kun olin piirustanut systeemiin kolmitieventiilin, jolla vaihdetaan pannun lämpö moottorille tai varaajalle. Täytyy vielä vähä miettiä ja piirustaa. Systeemistä pitäisi kuitenkin tulla mahdollisimman yksinkertainen ja tilaa on vähän. Jos olisin hankkinut takatuupparin korkealla tavaratilalla, niin ei tarttis kärvistellä.
Ei liity suoranaisesti kulkuriajoneuvoihin, mutta mun paineastioihin liittyvien pelkotilojen lähde pääsi aikoinaan jopa uutisiin:
http://www.ohtuleht.ee/78838/katlamaja- ... ohver-suri. Kooklella kääntyi vähän huumoripitoisesti.
Tapahtumien kulku oli kuitenkin seuraava: Mait ja Mare lähtivät polttamaan syyttäjänviraston dokkareita paikallisen kerrostalon pannuhuoneeseen. Kattila ei kuitenkaan tainnut olla täynnä, kiertovesipumppu ei ilmeisesti ollut päällä ja varoventtiilien kanssakin oli vähän niin ja näin. Aluksi homma sujui ihan kivasti, mutta jossain vaiheessa pannu kosahti. Seurauksena kivestä rakennettu pannuhuone (onneksi erillinen rakennus) hajosi tuusan paskaksi, äijän Sierra lensi 25 metriä ja pannuhuoneen futispallon suuruisia kivenpaloja löydettiin 110 metrin päästä.
Höyry poltti miehen kropasta 77%, kuoli viikon päästä. Friidulla paloi 40% ja jalka murtui.
Meillä oli Virossa tapahtumapaikan lähistöllä Caprice Classic kansiremontissa ja satuttiin oleen paikalla, eli ei oo kuultu kaverin kaverilta.... Jäi mieleen, että varolaitteet pitää olla kunnossa ja systeemin asianmukaisesti tehty.
Kokeilin paineilmatalttaa kopista irroitettuihin profiilinpätkiin, kun bussi on autosähkärillä ja levynpalat irtoo paljon ripeemmin kuin käsipelillä. Pitää vaan hankkii leveämpi talttaterä. Loppui ymmärrys katoavien sähköjen osalta, eikä mulla kertakaikkiaan riitä viikonloput, jos ja kun klinikka saadaan edes jossain kunnossa kesäksi baanalle. Sähköjä lukuunottamatta alustan tekniikan pitäisi olla nyt suhtkoht liikkuvaa, kun jäähdytinkin on kennotettavana.
Re: Klinikka
Lähetetty: 25 Tammi 2015 00:36
Kirjoittaja Sisu
Hj60 vaihdekepin kumi ois aika lähellä tuota.... Sen sais kohtuu helpolla laitettua suoraan peltiin kun siinä on sellainen rautakehys itsessään. Miksei jonku muunkin henkilöauton kummi
Re: Klinikka
Lähetetty: 09 Maalis 2015 17:56
Kirjoittaja Wowbagger
Hyvin on Belgialaiset rakentaneet.
Väliseinien rungot hitsattu niin kattoon kuin lattiaan ja vahvikkeita ainakin tarpeeksi. Nythän tää on melkein muuttovalmis, mukavan avara. Keskellä enää yksi ylimääräinen seinänpala, mutta siinä roikkuu lääkärikeskuksen sähköjen heikkovirtapuoli.
Aattelin,että purku hoituu viikonlopussa, mutta v...t. Yhteensä mennyt ehkä viitisen täyttä työpäivää ihan oikeilla työkaluilla, eikä oo päästy tän pitemmälle.
Tekniikkapuolella on ainakin toistaiseksi vähän valoisampaa, kun ei oo tiedossa muita murheita käynnistys/latauspiirin ongelmien lisäksi. Nekin on kai ratkaistavissa. Ja vaihdekepin ympärille löytyi jonkinlainen kortonki Helsinkiläisestä varaosaliikkeestä. Pitää vaan hitsata metallirenkaaseen kaulus.
Periaatekuva
Lähetetty: 09 Maalis 2015 18:40
Kirjoittaja Wowbagger
Tuossa lämmityssydeemin haavekuvassa on sitten tosi näppärästi ohittettu puhtaaksi piirtäessä jopa alkuperäinen idea, mutta ei moottoria. Paperilla oli pari vaihtoehtoa 2-tie ja 3-tie venttiileillä, mutta mikään ei sitten päätynyt periaatekuvaan.
Re: Klinikka
Lähetetty: 09 Maalis 2015 20:47
Kirjoittaja Rosvolinna
Tuohan näyttää ihan Punaisen Ristin Beirutin toimistolta -80 luvulla. No ei - hyvää jälkeä olet saanut aikaan.Tukevaa tekoa nuo väliseinätolpat.
Re: Klinikka
Lähetetty: 10 Maalis 2015 17:55
Kirjoittaja Wowbagger
Ei se spr:n toimisto sit varmaan kovin siisti ollut. Sinne oli kai osunut jotain muuta kun kylähullu tai sit joku paikallinen sellainen.
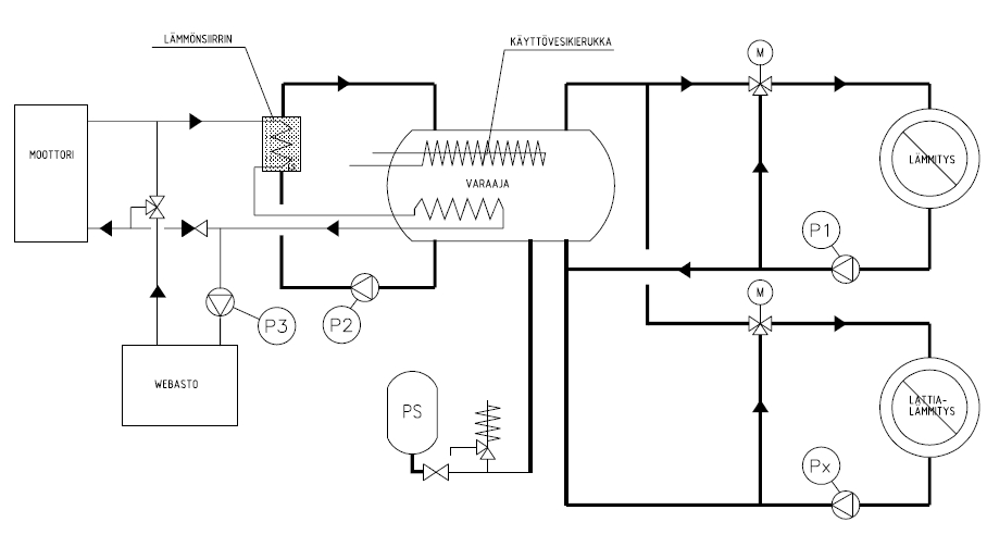
Piirustin taast tuota lämmityskaaviota, kun tuli sellainen suunnittelumieliala.

- Lammitys_ver3.jpg (95.33 KiB) Katsottu 33826 kertaa
Muutenhan tuo on vähän niinku talopuolen juttuja, mutta tuo varaajan lataus pitäs saada mahdollisimman yksinkertaiseksi ja tehokkaaksi. Kun saan kaivettua putkistot esiin, niin selviää, saako Webaston kytkentää sellaiseksi, että selviää yhdellä palloventtiilillä tai jopa ilman. Joltain romumetallidiileriltä löytyy varmaan rosterikierukka, jonka saa viritettyä pöntön sisään. Silloin ei ajon aikana tarttis käyttää latauspumppua. Lämmönsiirrin siihen jää joka tapauksessa, koska 10-30 kW tehon siirtämiseen pitäisi olla vähän pitempi putki rullalla, että saisi saman verran pinta-alaa kun levylämmönsiirtimessä. Pönttö kyllä lämpiää ilman sitäkin, mutta yritän saada aikaseksi vähän energiatehokkaamman ratkaisun. Laitoin sitten huvikseni toisen piirin, ja siinä lukee lattialämmitys, kun sain huonoja vaikutteita. Saattaapi käydä niinkin, että virittelen tuohon jonkinlaisen lämmön talteenottosydeemin ilmanvaihtoa varten, ja siihen tarttee lisälämpöä. Oon vähän pulannut isompien iv-koneiden kanssa ja vähän skaalaamalla vois tehdä LTO:n glykolipiirillä ja hoitaa lisälämmöt just tolla piirillä. Nyt vaan alkaa tulla sen verran pumppua, venaa ja muuta systeemiä, että pitäis ottaa järki käteen. Onneksi jälkikasvu otti arkiauton luvatta käyttöön ja kolaroi sen kunnolla. Sain kerralla budjetin kauhun tasapainoon, kun ei sattumoisin vanhassa autossa oo kun pakolliset vakuutukset.