Syyskuussa ostettu, lokakuussa haettu ja jonkin aikaa paikallisella pajalla fixattu Volvo B10M -90 Joncheere Jubilee P50 korilla on nyt väännetty Eesti Vabariigin kilpiin. Terveyskeskuksilla ei hirveesti ajella edes 24 vuoden aikana, joten mittarilukema n. 333333 km saattaa jopa pitää paikkansa. Kone käy nätisti, vaikka kylmäkäynnistyksessä tulee Volvomaiset savut ja 6 vaihteinen loota splitterillä toimii hyvin. Ennakot on vielä säätämättä ja Webasto ei ole akkujen takana, joten tilanne saattaa parantua.
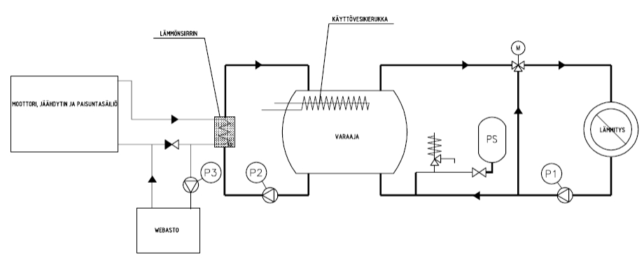
Varustus on aika jännittävä. Löytyy hydraulipumppu ja jalat joka nurkasta, ilmalämpöpumppu kahdella sisäyksiköllä, 2kpl 4 kW siniaaltoinverttereitä ja hervottoman suuret hupiakut (2x 440 kg ja n.800 Ah) alustan akkujen lisäksi. Akut taitaa ikävä kyllä olla entiset, vuosimalli on 2007. Sitten on tietty lääkärin työhuone, jossa on jääkaappi ja tutkimuspöytä (jos joku haluaa leikkiä lääkäriä, lähtee halvalla). Myös vessa löytyy, oisko Trumatic. Lämmitysjärjestelmä on alumiinipattereilla ja onnekkaasti samantyyppisiä löytyy paikallisesta rautakaupasta. Oikeastaan kaikki pitää siirtää, mutta voi kuitenkin käyttää hyödyksi. Sinänsä harmi purkaa asiallisen tuntuiset väliseinät, mutta tilankäyttö tällaisenaan on aika toivoton. Takaosaan pitäisi saada kunnon tavaratila ja siellä on nyt sähköön liittyvät jutskat, 200 l vesisäiliö (kompuralla paineet sisään ja vesi tulee hanasta) ja saman kokoinen jätevesipönttö, jotka kaikki siirtyy muualle.


Hakumatkalla epäilin vihaisen pygmin hakkaavan alustaa rautakangella, mutta se olikin yllättäen tuulettimen kardaani, laakerit ym. rojut vaihdettu. Laturiin vaihdettiin hihnat, lagrut ja säädin. Ilmajousituksen ja jarrujen venttiilit vaihdettiin uusiin ja kompressori vetää viimeisiään, mut uuden hintalappu on sellainen että pitää vähän miettiä mitä sille tekee. Paimelasta hain samantapaisen, mutta pitäisi vähän rakentaa. Oikea kylki takaovesta taaksepäin menee uusiksi, samoin pohja. Muuten dösä on yllättävän vähäruosteinen. Rakentelu taitaa tapahtua vähitellen edestä takaosan suuntaan, kun ois kiva ajellakin välillä ja täysin atomeiksi purkamiseen ei riitä luonne eikä aika. Myös pikku muutoksilla pääsisi käyttämään, eli runkopatja takaosaan ja sohva + mikro etupäähän. Rohkea käyttäisi nykyisiä sähkövetoja, mutta aattelin kuitenkin tehdä(siis tietenkin joku sähkömies tekee) uudet vedot.
Paikallisen autorekisterikeskuksen tarkastajan ilme oli näkemisen arvoinen, kun päräytin tällä pihaan. Miettivät toista viikkoa, mihin kategoriaan tämä kuuluu... Kun tää projekti pitää väkisin nimetä joksikin, ennen kuin sille tulee jokin epämääräinen lempinimi, laitetaan vaikka (mielenterveys)Klinikka, vaikka aiempi käyttötarkoitus on ollut laatikoista löytyneiden materiaalien perusteella naisten terveydentilasta huolehtimiseen liittyvää. Mielessä kävi myös "Laitos", kun sukulaiset ja opettajat olivat sitä mieltä, että sellaiseen vielä päädyn.