Webasto temppuilee apuva
- pelti
- Kansleri
- Viestit: 1165
- Liittynyt: 07 Heinä 2013 22:16
- Truck: Hymer camp
- Location: vantaa
- Viesti:
Re: Webasto temppuilee apuva
olisko noissa hyvä olla pätkä kirkasta polttoaineputkea ennen webaa? näkis aina, että on ainetta/kuplii/ tms. roskaa..... saattais olla helpompi tehdä diagnoosia pakkasessa?
t. nimim. koko syöttöputki tankista alkaen läpinäkyvää
t. nimim. koko syöttöputki tankista alkaen läpinäkyvää
peltiliiteri.com
- Green1
- Kippari
- Viestit: 67
- Liittynyt: 30 Joulu 2019 09:08
- Truck: Carrus Regal 350
- Location: Pohjanmaa
Re: Webasto temppuilee apuva
No niin, tässä sitten ollaan. Webasto dw 300 ei lähtenyt eilen käyntiin. Sammutin toissailtana normaalisti.
Sähköä tulee ja akut laturissa. Polttoaineelle oma tankki. Lähtee kiertopumppu heti päälle mutta ei puhallin.
Ei näytä vilkkukoodia
Avasin ja vaihdoin kaikki 3 releet. Ei lähde.
Avasin puhallinmoottorin putsasin hiilet, kiinni ei mitään elämää.
Oisko aivot sökö?
Sähköä tulee ja akut laturissa. Polttoaineelle oma tankki. Lähtee kiertopumppu heti päälle mutta ei puhallin.
Ei näytä vilkkukoodia
Avasin ja vaihdoin kaikki 3 releet. Ei lähde.
Avasin puhallinmoottorin putsasin hiilet, kiinni ei mitään elämää.
Oisko aivot sökö?
Carrus Regal 350 -96 Scania k113
- Green1
- Kippari
- Viestit: 67
- Liittynyt: 30 Joulu 2019 09:08
- Truck: Carrus Regal 350
- Location: Pohjanmaa
Re: Webasto temppuilee apuva
Pitäskö vielä tutkia webaston sisältä releiden johdotus ja se vilkkuhomma. Aivoja saattaa olla kalliita, tai voisko niitä avata
Carrus Regal 350 -96 Scania k113
-
Reissureki
- Rattiamiraali
- Viestit: 421
- Liittynyt: 20 Huhti 2015 22:06
- Truck: Scania L113
- Location: Ii
- Rosvolinna
- Vapaaherra
- Viestit: 3659
- Liittynyt: 10 Marras 2007 15:29
- Truck: B10M + MB515
- Location: Vihti
Re: Webasto temppuilee apuva
tuossa olisi vikamatriisi
En mä näistä mitään tiedä, mutta kantapääni on kasvattanut laajahkon mutun
-
silvarello
- Rattimajuri
- Viestit: 160
- Liittynyt: 29 Syys 2014 21:37
- Truck: B10M/Superstar
- Location: Savonlinna
- Member id: 350
Re: Webasto temppuilee apuva
Oma teki ihan kaikkee tai sit ei tehnyt. Otin aivopurkin auki ja piirilevyn vääntely teki kaikkee jännää. Siitä rohkaistuneena juottelin kaikki juotokset uusiksi. Nyt se toimii ihan tylsästi eli varmasti ja täsmällisesti.
- Green1
- Kippari
- Viestit: 67
- Liittynyt: 30 Joulu 2019 09:08
- Truck: Carrus Regal 350
- Location: Pohjanmaa
Re: Webasto temppuilee apuva
Avasin koko paketti ja aivoissa oli käryä. Löysin kaksi Zenerdiodit jotka olivat päästäneet savun ja haljenneet. Toinen putos kahtia kun juotin ne irti. Tilasin heti Starelec Vaasasta uudet vastaavanlaiset diodit. Luultavasti solenoidin diodit sarjaan kytketty. laitan kuvia kun pääseen taas hommiin.
Carrus Regal 350 -96 Scania k113
- VeihtiPekka
- Rattimajuri
- Viestit: 169
- Liittynyt: 09 Syys 2017 21:28
- Truck: K113, Regal 350
- Location: Haapajärvi
Re: Webasto temppuilee apuva
Harrastelijaystävälliset aivot webastossa kun sisältä löytyy zenereitä, fettejä, vastuksia ym. jota voi vaihtaa ja kunnon tarkistaa yleismittarilla.
- Green1
- Kippari
- Viestit: 67
- Liittynyt: 30 Joulu 2019 09:08
- Truck: Carrus Regal 350
- Location: Pohjanmaa
Re: Webasto temppuilee apuva
Tuli paketissa uudet zenerit 20 centtiä kpl. rahdin kanssa 9.15 eur. Tein juotokset ja seuraavaks kasaus ja testi.
Carrus Regal 350 -96 Scania k113
- Green1
- Kippari
- Viestit: 67
- Liittynyt: 30 Joulu 2019 09:08
- Truck: Carrus Regal 350
- Location: Pohjanmaa
Re: Webasto temppuilee apuva
Diodien korjaus ei auttanut.
Puhallin ei lähde käyntiin eikä tule vikakoodia.
Tein testin niin että irrotin lämpöanturin johto. Siitten lähti puhallin pyörimään ja antoi vikakoodit siitä. Samaten lämpösulake.
Nyt en keksi muuta kuin vaihtaa mustaboksi.
Puhallin ei lähde käyntiin eikä tule vikakoodia.
Tein testin niin että irrotin lämpöanturin johto. Siitten lähti puhallin pyörimään ja antoi vikakoodit siitä. Samaten lämpösulake.
Nyt en keksi muuta kuin vaihtaa mustaboksi.
Carrus Regal 350 -96 Scania k113
-
Reissureki
- Rattiamiraali
- Viestit: 421
- Liittynyt: 20 Huhti 2015 22:06
- Truck: Scania L113
- Location: Ii
Re: Webasto temppuilee apuva
Kokeile ohittaa hyppyjohdolla nuo anturit, taitaa olla jommassa kummassa oireista päätellen kosketus onkelma, nehän ohjaavat mangneettivenan relettä, tai mittaa antureiden läpäisemä virta...
- Green1
- Kippari
- Viestit: 67
- Liittynyt: 30 Joulu 2019 09:08
- Truck: Carrus Regal 350
- Location: Pohjanmaa
Re: Webasto temppuilee apuva
Ihmettelen vielä että miten voi puhallin käynistyä vikatilassa, mutta ei vian poistuessa.
Olisko ne uudet releet sitten erilaiset. Täytyy mitata vanhat releet vielä.
Olisko ne uudet releet sitten erilaiset. Täytyy mitata vanhat releet vielä.
Carrus Regal 350 -96 Scania k113
- Rosvolinna
- Vapaaherra
- Viestit: 3659
- Liittynyt: 10 Marras 2007 15:29
- Truck: B10M + MB515
- Location: Vihti
Re: Webasto temppuilee apuva
Control Thermostate - Sieltä suunnalta lähtisin vikaa etsimään. Kone luulee keittävänsä ja estää uudelleen käynnistyksen. Germaani on tehnyt hiilivedyn polttamisesta monimutkaista salatiedettä...
En mä näistä mitään tiedä, mutta kantapääni on kasvattanut laajahkon mutun
- Green1
- Kippari
- Viestit: 67
- Liittynyt: 30 Joulu 2019 09:08
- Truck: Carrus Regal 350
- Location: Pohjanmaa
Re: Webasto temppuilee apuva
Webaston kanssa tempaus.
Löytyi sähköhäiriö, töpseli hapettunut ja yksi johto melko poikki.
Korjaus, ja lämmittämään.
Nyt kun puhallin oli puhdas tuli liikaa ilmaa kamariin ja liekki ei pysynyt lyhdyssä. Jouduin reippaasti kuristamaan ilmavirtaa.
Mistähän saa nuo webaston suodatin patruunat, kannattaako uusia koko suodatin standardi suodattimeen?
Vilkkukoodit webasto dw300
Löytyi sähköhäiriö, töpseli hapettunut ja yksi johto melko poikki.
Korjaus, ja lämmittämään.
Nyt kun puhallin oli puhdas tuli liikaa ilmaa kamariin ja liekki ei pysynyt lyhdyssä. Jouduin reippaasti kuristamaan ilmavirtaa.
Mistähän saa nuo webaston suodatin patruunat, kannattaako uusia koko suodatin standardi suodattimeen?
Vilkkukoodit webasto dw300
Carrus Regal 350 -96 Scania k113
- Green1
- Kippari
- Viestit: 67
- Liittynyt: 30 Joulu 2019 09:08
- Truck: Carrus Regal 350
- Location: Pohjanmaa
Re: Webasto temppuilee apuva
Tällainen maksaisi 26€
Seuraava vaihto ei sitten harmita enää
Seuraava vaihto ei sitten harmita enää
Carrus Regal 350 -96 Scania k113
Re: Webasto temppuilee apuva
Ei paras imupuolen suodattimeksi, vuotokohteita ,,vastaava ”patruunamalli ”varmempi ja siistimpi vaihto,,
keskuslämmitys polttimen suodatin hyvä vaihtoehto myös ( uudempi malli suod patruuna), on jonkinverran kalliimpia
kuin traktori suodattimet.
Kerran vuoteen syksyllä vaihtavat bussi yrittäjät, vaikka käytötunteja vähän , veden kertyminen suod on mahdollista.
- Rosvolinna
- Vapaaherra
- Viestit: 3659
- Liittynyt: 10 Marras 2007 15:29
- Truck: B10M + MB515
- Location: Vihti
Re: Webasto temppuilee apuva
"Green1", mikä johto sieltä oli rikki? Tiedosta olisi varmasti apua muille Weban kanssa painiville. Onnistuneet korjaukset ovat tämän palstan parasta antia.
Lasikupumallista näkee ilmakuplat ja likapartikkelit helposti, joten se olisi minun valintani.
Lasikupumallista näkee ilmakuplat ja likapartikkelit helposti, joten se olisi minun valintani.
En mä näistä mitään tiedä, mutta kantapääni on kasvattanut laajahkon mutun
- Green1
- Kippari
- Viestit: 67
- Liittynyt: 30 Joulu 2019 09:08
- Truck: Carrus Regal 350
- Location: Pohjanmaa
Re: Webasto temppuilee apuva
Tämä viestiketju jatkuu vielä pitkälle, tänään käytin hetken aikaa lämmtyksessä. En saanut täyttä lämpöä ennenkuin alkoi pitenemään taukoja. Sitten ei enää lähtenyt käyntiin.
Nyt illalla sama juttu, lähti hetken päälle ja pari taukoa ja ei enää päälle.
Ei tule vikakoodia.
Sain vielä lainata juuri samanlaisen ohjausboksin paikalliselta linja-auto yritykseltä. Vielä teki samat temput. Hetken lämmittää ja sitten jää odottamaan puhaltimen käynnistys. Ulossuljettu on mustalaatikko.
Töpseli irti - kiinni sitten lähti puhallin muttei, sykli jäi siihen.
Tekee polttaessa sillointällöin nopeat yksittäiset katkot. Joskus sammuu siitä. Jos on ollut ilmaa niin savuttanu kyllä hetken aikaa, nyt ei näy kuplia menevän letkussa. Katkot väheni vähentämällä ilmansyöttöä. En tiedä kokonaan katkojen vastaus.
On löytynyt jo pari vikaa, diodit, yksi johtoliitin, toinen paksumpi punainen johto. Seuraavaksi katson johtosarjan kunnolla läpi ja juotan pohja piirikortin läpi.
Nyt illalla sama juttu, lähti hetken päälle ja pari taukoa ja ei enää päälle.
Ei tule vikakoodia.
Sain vielä lainata juuri samanlaisen ohjausboksin paikalliselta linja-auto yritykseltä. Vielä teki samat temput. Hetken lämmittää ja sitten jää odottamaan puhaltimen käynnistys. Ulossuljettu on mustalaatikko.
Töpseli irti - kiinni sitten lähti puhallin muttei, sykli jäi siihen.
Tekee polttaessa sillointällöin nopeat yksittäiset katkot. Joskus sammuu siitä. Jos on ollut ilmaa niin savuttanu kyllä hetken aikaa, nyt ei näy kuplia menevän letkussa. Katkot väheni vähentämällä ilmansyöttöä. En tiedä kokonaan katkojen vastaus.
On löytynyt jo pari vikaa, diodit, yksi johtoliitin, toinen paksumpi punainen johto. Seuraavaksi katson johtosarjan kunnolla läpi ja juotan pohja piirikortin läpi.
Carrus Regal 350 -96 Scania k113
Re: Webasto temppuilee apuva
Liekkivahti?Green1 kirjoitti: ↑24 Marras 2020 23:39 20201119_075220.jpg
Tämä viestiketju jatkuu vielä pitkälle, tänään käytin hetken aikaa lämmtyksessä. En saanut täyttä lämpöä ennenkuin alkoi pitenemään taukoja. Sitten ei enää lähtenyt käyntiin.
Nyt illalla sama juttu, lähti hetken päälle ja pari taukoa ja ei enää päälle.
Ei tule vikakoodia.
Sain vielä lainata juuri samanlaisen ohjausboksin paikalliselta linja-auto yritykseltä. Vielä teki samat temput. Hetken lämmittää ja sitten jää odottamaan puhaltimen käynnistys. Ulossuljettu on mustalaatikko.
Töpseli irti - kiinni sitten lähti puhallin muttei, sykli jäi siihen.
Tekee polttaessa sillointällöin nopeat yksittäiset katkot. Joskus sammuu siitä. Jos on ollut ilmaa niin savuttanu kyllä hetken aikaa, nyt ei näy kuplia menevän letkussa. Katkot väheni vähentämällä ilmansyöttöä. En tiedä kokonaan katkojen vastaus.
On löytynyt jo pari vikaa, diodit, yksi johtoliitin, toinen paksumpi punainen johto. Seuraavaksi katson johtosarjan kunnolla läpi ja juotan pohja piirikortin läpi.
-
Reissureki
- Rattiamiraali
- Viestit: 421
- Liittynyt: 20 Huhti 2015 22:06
- Truck: Scania L113
- Location: Ii
Re: Webasto temppuilee apuva
Et usko Rosvolinnankin arvelemaan lämpötila-anturi häröilyyn?
- Rosvolinna
- Vapaaherra
- Viestit: 3659
- Liittynyt: 10 Marras 2007 15:29
- Truck: B10M + MB515
- Location: Vihti
Re: Webasto temppuilee apuva
Siihen voi laittaa potikan väliin testiä varten, (en muista mittaako vastusarvoa vai onko on/off) ja testata mitä Weba sanoo. Vikakoodin puute viittaa siihen ettei laite ole rikki, luulee vain olevansa kuumissaan tai virroitta. En tiedä kumpi on raastavampi Weba vai hehkulanka Primus. Tasaväkinen kilpailu - molempia nurkat täynnä ja jokunen on toimaankin saatu.
En minä mikään oraakkeli ole, mutta itse lähtisin vyyhtiä purkamaan termarin seudulta. Kyllä siellä liekkivahti ja polttimen suutin tulee vastaan jossain vaiheessa vuokaaviota.
En minä mikään oraakkeli ole, mutta itse lähtisin vyyhtiä purkamaan termarin seudulta. Kyllä siellä liekkivahti ja polttimen suutin tulee vastaan jossain vaiheessa vuokaaviota.
En mä näistä mitään tiedä, mutta kantapääni on kasvattanut laajahkon mutun
-
motoku
- Ajoneuvos
- Viestit: 625
- Liittynyt: 25 Joulu 2006 22:33
- Truck: scania k114 carrus
- Location: uusimaa
Re: Webasto temppuilee apuva
on vaan niin lämpöanturin laukeamisen oloinen "vika".
onko varmaa, että pömpelissä kiertää vesi niinkuin kuuluu?
ettei mikään kiertovesipumppu pitki vastakarvaan? ettei mikään hana ole kiinni? kaikki putket lämpenee? ettei weban vieressä oleva sakkasihti ole tukossa?
onko varmaa, että pömpelissä kiertää vesi niinkuin kuuluu?
ettei mikään kiertovesipumppu pitki vastakarvaan? ettei mikään hana ole kiinni? kaikki putket lämpenee? ettei weban vieressä oleva sakkasihti ole tukossa?
- Green1
- Kippari
- Viestit: 67
- Liittynyt: 30 Joulu 2019 09:08
- Truck: Carrus Regal 350
- Location: Pohjanmaa
Re: Webasto temppuilee apuva
Tempaus taas,
Kävin linja-auto korjaamolla. Ostin alkuperäisen suuttimen ja suodattimen. Pätkitykset ja kova ääni lähti niitä vaihdettua.
Vanha suutin oli oilon ja huoltopäällikön mukaan sellaisella ei webasto pelitä. Suutin ja suodatin maksoi (6+18) 24€. Vaihtavat kuulemma suutin ja suodin joka vuosi. Rikkinäinen suutin saa kovan jyrinä ääntä.
Sain mukaan käytetty anturi ja lähdin mittaamaan vastukset keittämällä vettä. Huomasin pienen eron. Oman anturin ei oikein ollut rajojen sisällä. 6000 ja 360
Lähdin mittaamaan lämmityksen lämpötilaa. Vanha anturi nousi ensiksi hyvin ja sammutuksen jälkeen laski noin neljäänkymmeneen celciusta. Jäi sitten 4:n kympin kohdalle välillä käynnistyi ja sammui.
Vaihdoin anturia Anturin vaihto ja lämmöt nousi kahdeksan alkavaan numeroon.
Sammuttua laski noin kymmenen numeroaa ja taas käyntiin.
Oli selvä vika vanhassa anturissa. Eli tämänkerran voitettiin vaikka tuli webasto melkein kopioitu.
Kiitos kaikille kommenteille!
Voisiko muuten kytkeä sisätilasäädin joka vähentäisi käynnistykset?
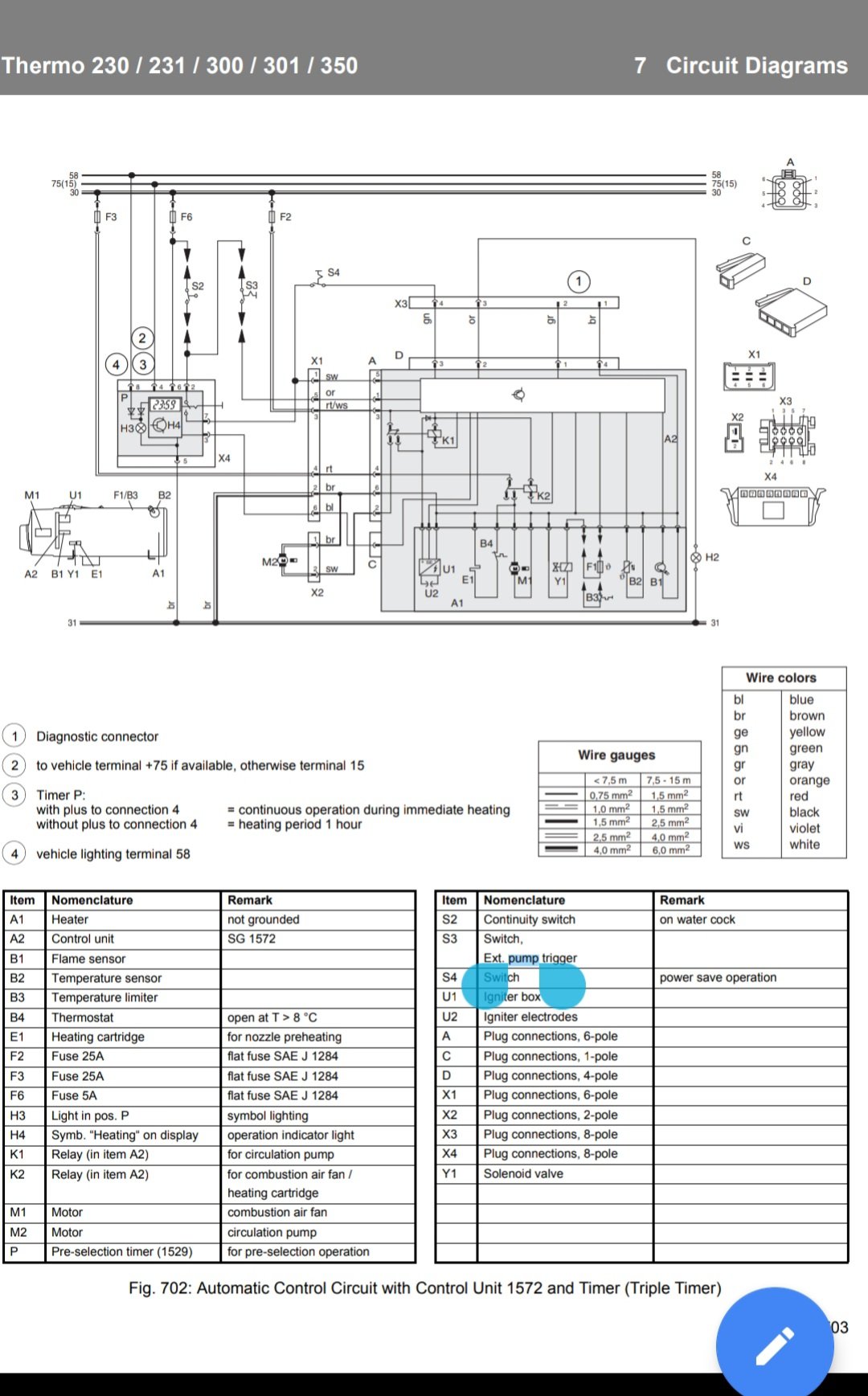
Tässä kaavassa S4 kohdalle, power save. Diagnostiikka töpseliin pin nro 4 kytkisi sisätila säätimen sarjassa. Osaisko joku neuvoa?
Kävin linja-auto korjaamolla. Ostin alkuperäisen suuttimen ja suodattimen. Pätkitykset ja kova ääni lähti niitä vaihdettua.
Vanha suutin oli oilon ja huoltopäällikön mukaan sellaisella ei webasto pelitä. Suutin ja suodatin maksoi (6+18) 24€. Vaihtavat kuulemma suutin ja suodin joka vuosi. Rikkinäinen suutin saa kovan jyrinä ääntä.
Sain mukaan käytetty anturi ja lähdin mittaamaan vastukset keittämällä vettä. Huomasin pienen eron. Oman anturin ei oikein ollut rajojen sisällä. 6000 ja 360
Lähdin mittaamaan lämmityksen lämpötilaa. Vanha anturi nousi ensiksi hyvin ja sammutuksen jälkeen laski noin neljäänkymmeneen celciusta. Jäi sitten 4:n kympin kohdalle välillä käynnistyi ja sammui.
Vaihdoin anturia Anturin vaihto ja lämmöt nousi kahdeksan alkavaan numeroon.
Sammuttua laski noin kymmenen numeroaa ja taas käyntiin.
Oli selvä vika vanhassa anturissa. Eli tämänkerran voitettiin vaikka tuli webasto melkein kopioitu.
Kiitos kaikille kommenteille!
Voisiko muuten kytkeä sisätilasäädin joka vähentäisi käynnistykset?
Tässä kaavassa S4 kohdalle, power save. Diagnostiikka töpseliin pin nro 4 kytkisi sisätila säätimen sarjassa. Osaisko joku neuvoa?
Viimeksi muokannut Green1, 29 Loka 2021 20:53. Yhteensä muokattu 1 kertaa.
Carrus Regal 350 -96 Scania k113
Re: Webasto temppuilee apuva
En tiedä onko järkevin tapa:: omassa on webaston pistoke ( syöttö/ kellolaite) irroitettu ja siihen syötetään hupiakulta
virta ja ohjataan käynnistykset sisätermostaatilla , ei tasasta lämpöä saa, . Oleellisin vika on kiertovesipumpun pitäis jäädä käyntiin mutta ko kytkennällä ei, jos sais / osais käynnistys lämpötiloja säätämään esim poltin on /60 ˚ja 80 ˚C off, vanhoissa laitettiin erillinen säädettävä temostaatti ( esim keskuslämpökattilan) . Todellisuudessa 30 kw lämmitin on liian
suuri lämmitys käyttöön ( jos talvikäyttöä silloin nopea lähtö lämmitys koppi/ moottori)harkinnassa 5-10 kw suoraan lämmitykseen tai erillinen kuumapuhallin ilp rinnalle.
Webasto alkujaan toimii kun saavuttaa max lämmön liekki sammuu ja kiertovpumppu jää päälle ,sisä termostaatin
ohjaus pitäs saada tämän ”rinnalle” ja webaston käynnistys erillinen on/ off nappi esim, ei ihan ammattitaito riitä.
Ennen laitettiin kierovesipumplle erillinen on/ off katk , nesteenkierto ajossa pattereissa ja etukennossa toimi
paremmin kuin moottorin vesipumpulla.
virta ja ohjataan käynnistykset sisätermostaatilla , ei tasasta lämpöä saa, . Oleellisin vika on kiertovesipumpun pitäis jäädä käyntiin mutta ko kytkennällä ei, jos sais / osais käynnistys lämpötiloja säätämään esim poltin on /60 ˚ja 80 ˚C off, vanhoissa laitettiin erillinen säädettävä temostaatti ( esim keskuslämpökattilan) . Todellisuudessa 30 kw lämmitin on liian
suuri lämmitys käyttöön ( jos talvikäyttöä silloin nopea lähtö lämmitys koppi/ moottori)harkinnassa 5-10 kw suoraan lämmitykseen tai erillinen kuumapuhallin ilp rinnalle.
Webasto alkujaan toimii kun saavuttaa max lämmön liekki sammuu ja kiertovpumppu jää päälle ,sisä termostaatin
ohjaus pitäs saada tämän ”rinnalle” ja webaston käynnistys erillinen on/ off nappi esim, ei ihan ammattitaito riitä.
Ennen laitettiin kierovesipumplle erillinen on/ off katk , nesteenkierto ajossa pattereissa ja etukennossa toimi
paremmin kuin moottorin vesipumpulla.
Viimeksi muokannut BussMAN, 28 Marras 2020 15:14. Yhteensä muokattu 5 kertaa.
- Peltsi
- Rattimajuri
- Viestit: 158
- Liittynyt: 16 Huhti 2020 13:07
- Truck: Scania wiima
- Location: Päijät-häme
- Member id: 404
Re: Webasto temppuilee apuva
Mitä halutaan säätää? Kai nämä isotkin koittaa sisäisellä säätimellä säätää pelkästään veden lämpötilaa. Jos sisäinen säädin on mukana ja erillisellä huonelämpöä termarilla annetaan käyntikäskyt, niin webasto ajaa aina täysille jos veden lämpötilaa ei ole saavutettu.
Akkiä arvailtuna parhaiten toimisi huonelämmön säätö patteritermareilla ja jatkuvatoimisesti ohjattu kiertovesipumppu. Webasto elää omaa elämäänsä ja pitää vaan veden vakiolämpöisenä
Akkiä arvailtuna parhaiten toimisi huonelämmön säätö patteritermareilla ja jatkuvatoimisesti ohjattu kiertovesipumppu. Webasto elää omaa elämäänsä ja pitää vaan veden vakiolämpöisenä